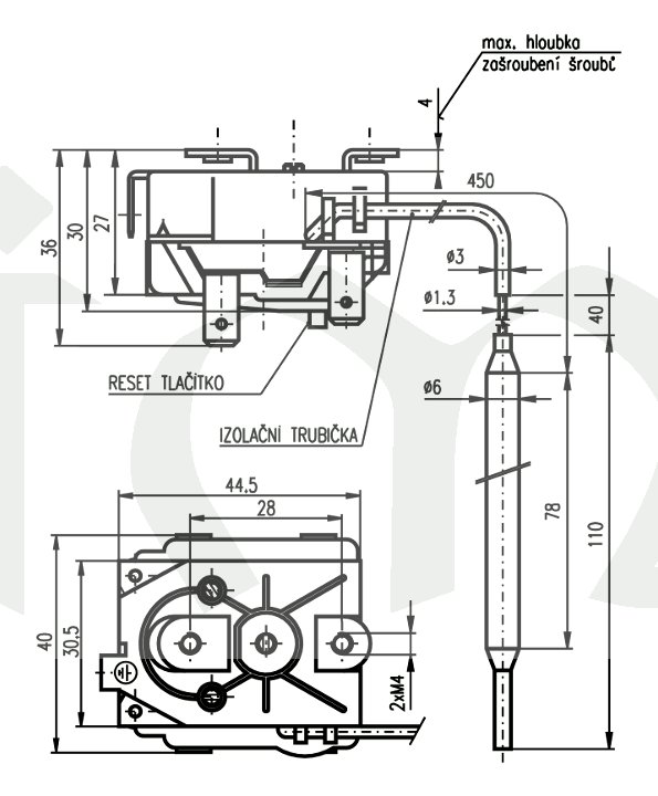
Pojistka KNTP8823.02, pevně nastavená teplota vypnutí na +99°C

Pojistka KNTP8823.02, pevně nastavená teplota vypnutí na +99°C,
Jiné nastavené teploty v rozsahu +35..+99°C na poptávku.

Parametry výrobku:

Regulační rozsah +99 °C
Délka kapiláry [cm], nebo provedení 45
Odkazy Příslušenství - ochranné jímky
Ke stažení: teplomery_termostaty_au.pdf
Cena: 345 Kč (bez DPH)
Cena: 418 Kč včetně DPH 21 %
Do košíku

Volitelné příslušenství

Id: 9135,   ID_Pohoda : 2990,