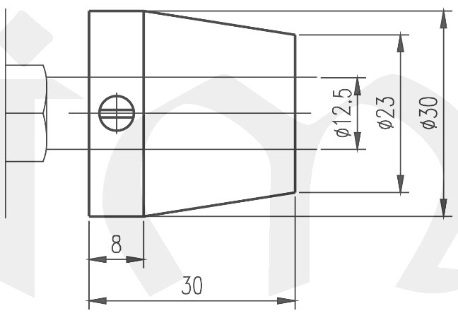
Posuvné kuželové hrdlo je určeno jako příslušenství k montáži a upevnění teploměru při jeho zástavbě. Kuželové hrdlo se upevní kuželem do otvoru v místě zástavby.
Posuvná hrdla jsou vyrobena z oceli. Jejich povrchová úprava může být provedena zinkováním modrým chromátem nebo chromováním. Stonek teploměru je při instalaci zasunut do hrdla a zajištěn stavěcím šroubem M5x8.
vnitřní průměr: ?d = 12,5 mm pro teploměry nad 400mm délky stonku
