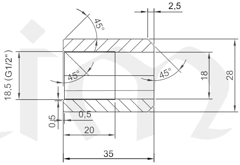
Návarek k teploměrům 35x pr.28mm, G1/2"

Návarky jsou určené pro připojení bimetalových teploměrů(jímek) k měřícímu místu.
Návarek se přivaří k potrubí, a do návarku se zašroubuje teploměrová jímka. Do jímky se zastrčí teploměr a zajistí proti pohybu, červíkem na boční straně hlavy jímky.

Materiál:        ocel 11373
Max. teplota: do +500°C
Max. tlak:       do 4 MPa (40bar)

Možnosti:
jiný materiál návarku na poptávku,
jiné rozměry na poptávku,
jiný přípojný závit na poptávku

 

Parametry výrobku:

Délka jímky 35 mm
Závit jímky G1/2"
Materiál jímky ocel 11373
Cena: 97 Kč (bez DPH)
Cena: 118 Kč včetně DPH 21 %
Do košíku

Volitelné příslušenství

Id: 12175,   ID_Pohoda : E2230,