ASK 51.6, 200/5A; 10VA; 0,5S%

Parametry výrobku:

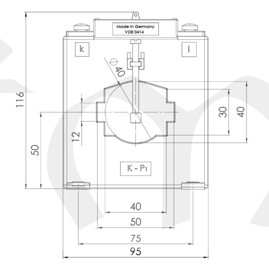
Typ proudového transformátoru ASK 51.6
Primární proud trafa 200 A
Jedna pásovina 50x12 mm
Sekundární proud 5 A
Způsob přípoje, průměr nebo pás 40 mm
Třída přesnosti trafa 0,5S %
Dvě pásoviny 3x40x10 mm
Výkon 10 VA
Kód výrobce 17606
Hmotnost trafa 0,6 kg
Odkazy Popis parametrů měřících transformátorů proudu

Nadproudové křivky chyb nízkonapěťových měřících transformátorů proudu a schéma zapojení

Ke stažení: Trafa_EXIMUS_MBS.pdf
Spotreba_vedeni_k_trafu.pdf
Cena: 3975 Kč (bez DPH)
Cena: 4810 Kč včetně DPH 21 %
Do košíku

Volitelné příslušenství

Id: 13911,